產品介紹
幸耀(XINGYAO)光伏直流電涌保護器(Surge Protection Device,簡稱SPD)(又稱浪涌保護器、防雷器、過壓保護器、避雷器),是按SPD II級類試驗要求專業設計的用于太陽能發電系統的電涌保護器,具有較強的雷電流匯放能力;適用于太陽能發電系統的直流供電線路設備的電涌保護;其設計依據符合GB18802.1,IEC61643-1技術標準。
功能特點
1.可選遙信端子報警功能,便于遠程報警監控。2、最高可承受40KA(8/20μs)雷電流沖擊。3.反應速度快,動作響應時間小于25ns。4、阻燃外殼設計,可方便地安裝在35mm電氣導軌上。5、雙重熱脫扣裝置,溫控斷路技術,使電涌保護器能因過熱、擊穿失效時能自動斷開.6、可視告警窗口顏色表示保護的工作狀態,綠色(正常)、紅色(故障). 7、選用世界知名元器件,運用先進的生產工藝制造,能在酸、堿、塵、鹽霧及潮濕等惡劣環境下長期工作。
產品應用和安裝位置
本系列浪涌保護器適用于II級防雷過壓保護,用于雷擊區域的LPZ1區與LPZ2區交界處,通常安裝在太陽能電池電源輸出口、電源控制器、電源轉換器等處。
防雷器安裝注意事項
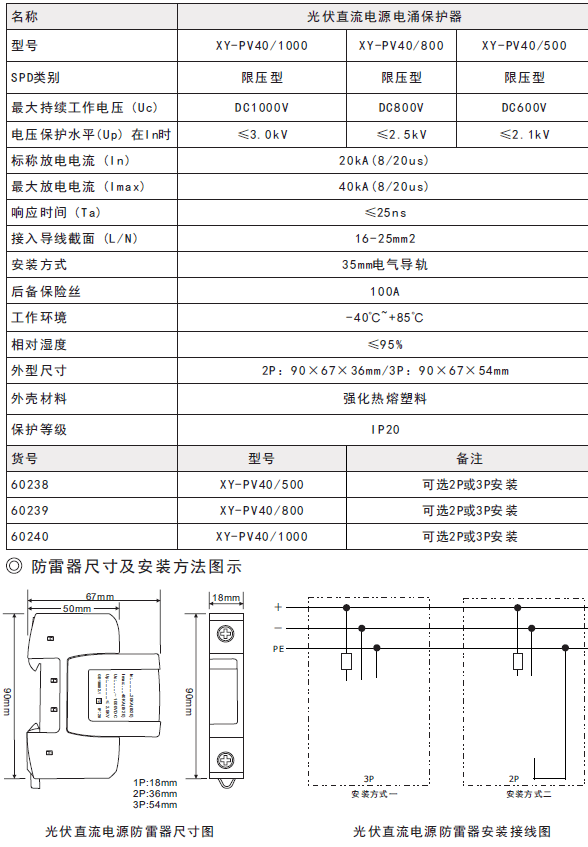
1.電源線連接:正極接“+”,負極接“—”。 2、防雷器產品標有“PE”標志的接地端應接上地線,接好地線后,務必要旋緊螺釘。接地線選用16mm2以上的銅芯線,地線到接地匯流排的長度應小于1m且量粗短。3、防雷器接地線宜用盡可能最短的線連接。該保護器接地采用端子接地方式,接地線必須與防雷地線相連。 4、該防雷器在不超過要求的條件下安裝是不需要長期維護的,只需系統例行維護;如在使用過程中,可視告警窗口顏色由綠色(正常)變為紅色(故障),說明電涌保護器已經損壞,需維修或更換。 5、設備需要定期檢查,產品劣化后必須立即更換。 6、切記不可帶電作業. 7、接地一定要良好且接地電阻不大于4歐姆。8、防雷器前端需加裝短路裝置確保避免防雷器劣化后短路引起火災。
技術參數

電話:158-8945-7601
傳真:158-8945-7601
QQ:346376768
地址:深圳市坪山區坑梓街道禾田路2號 高新區智能制造產業園








